热门搜索词:铣头  滑台  组合机床  专用铣床 
     组合机床通用部件系列
     组合机床系列
     专用机床系列
     机械制造及零件加工
     机床附件
产品展示 当前位置: 盐城市悦翔机械制造有限公司 >首页 >产品展示  
 
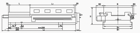
产品名称: HY系列、1HY系列液压滑台
点击数: 10198
产品描述:

HY系列液压滑台是用以实现进给运动的动力部件,配以各种切削头及支承部件以组成不同类型的组合机床,用以完成钻、扩、铰、锪窝、挂端面、倒角、车端面、铁、攻丝等工序。HY系统液压滑台分A、B两型。Axing双矩导轨,B型一山一矩组合导轨。
1HY系列液压滑台是根据国家标准GB3668.4-83(等效国家标准ISO2562-1973)设计的,它是用来实现进给运动的动力部件。本液压滑台快进速度高,工进速度范围广,配有缓冲装置。导轨型式为双矩型。选用铸铁或镶钢两种材料,也有贴塑导轨副,供用户随意选择。合面宽320mm以下滑台可配置分级进给装置实现深孔加工要求。

 
 
网站关键词:铣头 | 滑台 | 组合机床 | 专用铣床 
地址:盐城市亭湖区永新创业园  电话:0515--88556256  手机:13961933118(姜经理)
销售电话:13961930930(姜先生)  E-mail:yx@ycyxjx.com.cn jj@ycyxjx.com.cn 传真:0515--88556256
版权所有 盐城市悦翔机械制造有限公司 苏ICP备15042737号 技术支持:飞凌网络 

手机站点扫描